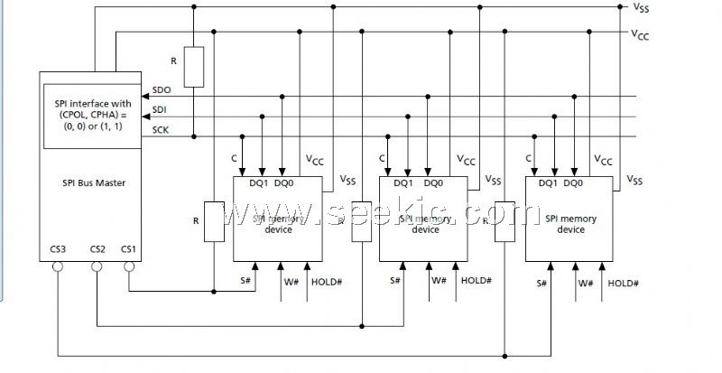
Product Summary
The M25P40 is an 4Mb (512Kb x 8) serial Flash memory device with advanced writeprotection
mechanisms accessed by a high-speed SPI-compatible bus. The device supports
high-performance commands for clock frequency up to 75MHz.
Features
? SPI bus-compatible serial interface
? 4Mb Flash memory
? 75 MHz clock frequency (maximum)
? 2.3V to 3.6V single supply voltage
? Page program (up to 256 bytes) in 0.8ms (TYP)
? Erase capability
– Sector erase: 512Kb in 0.6 s (TYP)
– Bulk erase: 4Mb in 4.5 s (TYP)
? Write protection
– Hardware write protection: protected area size
defined by nonvolatile bits BP0, BP1, BP2
? Deep power-down: 1μA (TYP)
Diagrams

(Hong Kong)






