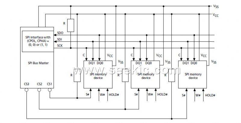
Product Summary
The M25P20 is a 2Mb (256Kb x 8) serial Flash memory device with advanced write protection
mechanisms accessed by a high speed SPI-compatible bus. The device supports
high-performance commands for clock frequency up to 75MHz.
Features
? SPI bus compatible serial interface
? 2Mb Flash memory
? 75 MHz clock frequency (maximum)
? 2.3V to 3.6V single supply voltage
? Page program (up to 256 bytes) in 0.8ms (TYP)
? Erase capability
– Sector erase: 512Kb in 0.6s (TYP)
– Bulk erase: 3s (TYP)
? Hardware write protection: protected area size defined
by non-volatile bits BP0 and BP1
? Deep power down: 1μA (TYP)
Diagrams

(Hong Kong)






