Product Summary
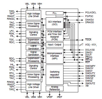
The LE88221DLC is an Automatic Battery Switching (ABS) VoicePort device. The LE88221DLC implements a dual channel telephone line interface by providing all the necessary voice interface functions from the high voltage subscriber line to the μP/DSP digital interface. Applications are (1)Voice enabled Cable and DSL Modems; (2)Voice over IP/ATM - Integrated Access Devices (IAD); (3)Smart Residential Gateways (SRG)and Routers; (4)Media Terminal Adapters (MTA)Standalone & Embedded; (5)Fiber to the User/Premise/Home (FTTH/P/H), Fiber in the Loop (FITL)Optical Network Terminals (ONT); (6)Wireless Local Loop (WLL), PBX, ISDN NT1/TA; (7)Set-Top Box, Home Side Box.
Features
LE88221DLC features: (1)Complete BORSCHT function in a single VoicePortTM device for two channels; (2)Pin selectable PCM/MPI or GCI interface; (3)Worldwide Programmability; (4)G.711 μ-law, A-law, or 16 bit linear coding; (5)Powerful signal generator; (6)Subscriber Loop Test/Self Test support; (7)Integrated 150 mW 3-V or 5-V Relay Driver; (8)Pin-compatible wide band version available (16-kHz sampling mode).
Diagrams

(Hong Kong)






