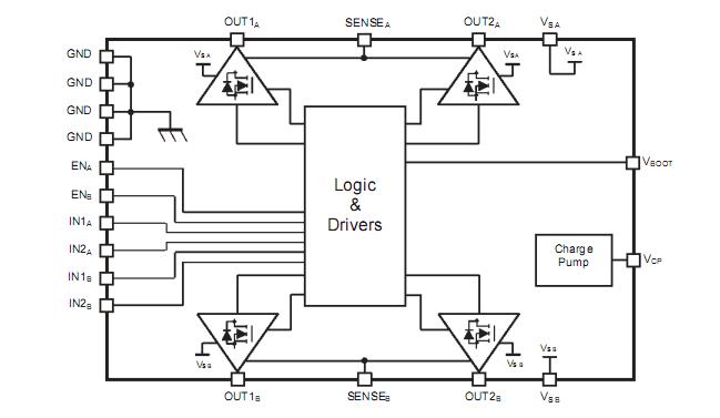
Product Summary
The L6225D is a dual full bridge driver for motor control applications manufactured with Multipower BCD technology which combines isolated DMOS power transistors with CMOS and bipolar circuits on the same chip. The L6225D is assembled in PowerDIP20 (16+2+2) ,PowerSO20 and SO20 (16+2+2) packages. Applications of the L6225D include: stepper motor and dual or quad DC motor.
Parametrics
L6225D absolute maximum ratings: (1) Supply Voltage Vs: 60V; (2) Input and Enable Voltage Range, VIN, VEN: -0.3V to +7V; (3) DC Sensing Voltage Range VSENSE: -1V to +4V; (4) Boot strap Peak Voltage VBOOT: Vs +10V; (5) Pulsed Supply Current(for each VS pin) , internally limited by the overcurrent protection: 3.55A (tPULE<1mS; (6) DC Supply Current(for each Vs pin ) Is: 1.4A; (7) Differential Voltage Between VSA, OUT1A, OUT2A, SENSEA and VSB, OUT1B, OUT2B, SENSEB: 60V; (8) Storage and Operating Temperature Range: -40 to 150°C.
Features
L6225D features: (1) (1) operating suply voltage from 8 to 52V; (2) 2.8A peak current (1.4A DC) ; (3) RDS (on) 0.73Ω TYP. Value@Tj=25°C; (4) cross conduction protection; (5) thermal shutdown; (6) operating frequency upt to 100kHz; (7) high side over current protection; (8) CMOS /TTL input; (9) intrnsic fast free wheeling diodes; (10) under voltage lockout.
Diagrams

| Image | Part No | Mfg | Description | ![]() |
Pricing (USD) |
Quantity | ||||||||||||
|---|---|---|---|---|---|---|---|---|---|---|---|---|---|---|---|---|---|---|
![]() |
![]() L6225DTR |
![]() STMicroelectronics |
![]() Motor / Motion / Ignition Controllers & Drivers Dual Full Bridge |
![]() Data Sheet |
![]()
|
|
||||||||||||
![]() |
![]() L6225D |
![]() STMicroelectronics |
![]() Motor / Motion / Ignition Controllers & Drivers Dual Full Bridge |
![]() Data Sheet |
![]()
|
|
||||||||||||
(Hong Kong)









