Product Summary
The FP5001 is an IGBT module.
Parametrics
FP5001 absolute maximum ratings: (1)collector-emitter voltage, VCES: 1200V; (2)DC-collector current, IC nom: 50A at Tc=95℃; (3)repetitive peak collector current, ICRM: 100A; (4)total power dissipation, Ptot: 280W; (5)gate-emitter peak voltage, VGES: ±20V.
Features
FP5001 features: (1)repetitive peak reverse voltage, VRRM: 1200V; (2)DC forward current, IF: 50A; (3)repetitive peak forward current, IFRM: 100A; (4)I2t-value, I2t: 560A2s.
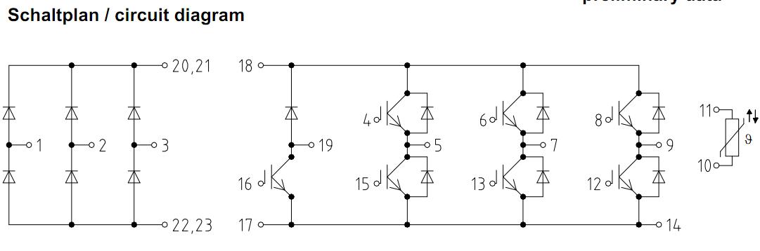
Diagrams

(Hong Kong)






