Product Summary
The EP3C120F484C8N is a Cyclone III Device. When the EP3C120F484C8N is implemented in a system, they are rated according to a set of defined parameters. To maintain the highest possible performance and reliability of Cyclone III devices, system designers must consider the operating requirements in this document. The EP3C120F484C8N is offered in commercial, industrial, and automotive grades. The EP3C120F484C8N is offered in –6 (fastest), –7, and –8 speed grades. Industrial and automotive devices are offered only in –7 speed grade.
Parametrics
EP3C120F484C8N absolute maximum ratings: (1)VCCINT Supply voltage for internal logic: -0.5 to 1.8 V; (2)VCCIO Supply voltage for output buffers: -0.5 to 3.9 V; (3)VCCA Supply voltage (analog)for phase-locked loop (PLL)regulator: -0.5 to 3.75 V; (4)VCCD_PLL Supply voltage (digital)for PLL: -0.5 to 1.8 V; (5)VI DC input voltage: -0.5 to 3.95 V; (6)IOUT DC output current, per pin: -25 to 40 mA; (7)VESDHBM Electrostatic discharge voltage using the human body model: ±2000 V; (8)VESDCDM Electrostatic discharge voltage using the charged device model: ±500 V; (9)TSTG Storage temperature: -65 to 150 ℃; (10)TJ Operating junction temperature: -40 to 125 ℃.
Features
EP3C120F484C8N features: (1)Supply voltage for output buffers, 3.3-V operation; (2)IDiode Magnitude of DC current across PCI-clamp diode when enabled: 10 mA.
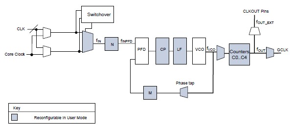
Diagrams

| Image | Part No | Mfg | Description | ![]() |
Pricing (USD) |
Quantity | ||||||
|---|---|---|---|---|---|---|---|---|---|---|---|---|
![]() |
![]() EP3C120F484C8N |
![]() |
![]() IC CYCLONE III FPGA 119K 484FBGA |
![]() Data Sheet |
![]()
|
|
||||||
| Image | Part No | Mfg | Description | ![]() |
Pricing (USD) |
Quantity | ||||||
![]() EP3C10E144C7 |
![]() |
![]() IC CYCLONE III FPGA 10K 144-EQFP |
![]() Data Sheet |
![]()
|
|
|||||||
![]() EP3C10E144C7N |
![]() |
![]() IC CYCLONE III FPGA 10K 144-EQFP |
![]() Data Sheet |
![]()
|
|
|||||||
![]() EP3C10E144C8 |
![]() |
![]() IC CYCLONE III FPGA 10K 144-EQFP |
![]() Data Sheet |
![]()
|
|
|||||||
![]() EP3C10E144C8N |
![]() |
![]() IC CYCLONE III FPGA 10K 144-EQFP |
![]() Data Sheet |
![]()
|
|
|||||||
![]() |
![]() EP3C10E144I7 |
![]() |
![]() IC CYCLONE III FPGA 10K 144 EQFP |
![]() Data Sheet |
![]()
|
|
||||||
![]() EP3C10E144I7N |
![]() |
![]() IC CYCLONE III FPGA 10K 144 EQFP |
![]() Data Sheet |
![]()
|
|
|||||||
(Hong Kong)










