Product Summary
The DSPIC30F2010-30I/SP is high performance 16-bit Digital Signal Controller. The DSPIC30F2010-30I/SP contains extensive Digital Signal Processor (DSP) functionality within a high-performance 16-bit microcontroller (MCU) architecture
Parametrics
DSPIC30F2010-30I/SP absolute maximum ratings: (1)Ambient temperature under bias: -40℃ to +125℃; (2)Storage temperature: -65℃ to +150℃; (3)Voltage on any pin with respect to VSS (except VDD and MCLR): -0.3V to (VDD + 0.3V); (4)Voltage on VDD with respect to VSS: -0.3V to +5.5V; (5)Voltage on MCLR with respect to VSS: 0V to +13.25V; (6)Total power dissipation: 1.0W; (7)Maximum current out of VSS pin: 300 mA; (8)Maximum current into VDD pin: 250 mA; (9)Input clamp current: ±20 mA; (10)Output clamp current: ±20 mA; (11)Maximum output current sunk by any I/O pin: 25 mA; (12)Maximum output current sourced by any I/O pin : 25 mA; (13)Maximum current sunk by all ports: 200 mA; (14)Maximum current sourced by all ports: 200 mA.
Features
DSPIC30F2010-30I/SP features: (1)High-Performance Modified RISC CPU; (2)Modulo and Bit-Reversed modes; (3)Two 40-bit wide accumulators with optional saturation logic; (4)17-bit x 17-bit single-cycle hardware fractional/ integer multiplier; (5)Single-cycle Multiply-Accumulate (MAC) operation; (6)40-stage Barrel Shifter; (7)Dual data fetch; (8)Quadrature Encoder Interface Module; (9)Programmable Brown-out Reset; (10)Motor Control PWM Module; (11)High current sink/source I/O pins: 25 mA/25 mA; (12)Three 16-bit timers/counters; optionally pair up 16-bit timers into 32-bit timer modules; (13)Four 16-bit capture input functions; (14)Low-power, high-speed Flash technology; (15)Wide operating voltage range (2.5V to 5.5V); (16)Industrial and Extended temperature ranges; (17)Low power consumption.
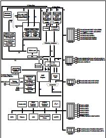
Diagrams

| Image | Part No | Mfg | Description | ![]() |
Pricing (USD) |
Quantity | ||||||||||||
|---|---|---|---|---|---|---|---|---|---|---|---|---|---|---|---|---|---|---|
![]() |
![]() DSPIC30F2010-30I/SP |
![]() Microchip Technology |
![]() Digital Signal Processors & Controllers (DSP, DSC) 20MHz 12KB Flash |
![]() Data Sheet |
![]()
|
|
||||||||||||
![]() |
![]() DSPIC30F2010-30I/SPG |
![]() Microchip Technology |
![]() Digital Signal Processors & Controllers (DSP, DSC) 16bit Signal Cntrlr |
![]() Data Sheet |
![]() Negotiable |
|
||||||||||||
(Hong Kong)










