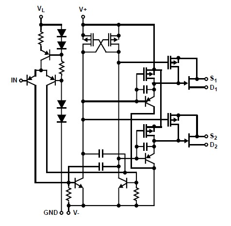
Product Summary
The DG190BP is a High-Speed Drivers with JFET Switch. The DG190BP consists of 2 or 4 N-channel junction-type field-effect transistors (JFET) designed to function as electronic switches. Level-shifting drivers enable low-level inputs (0.8V to 2V) to control the ON-OFF state of each switch. The driver is designed to provide a turn-off speed which is faster than turn-on speed, so that break-before-make action is achieved when switching from one channel to another. In the ON state, each switch conducts current equally well in both directions. In the OFF condition, the DG190BP will block voltages up to 20V peak-to-peak. Switch-OFF input-output isolation 50dB at 10MHz, due to the low output impedance of the FET-gate driving circuit.
Parametrics
DG190BP absolute maximum ratings: (1)V+ - V-: 36V; (2)V+ - VD: 33V; (3)VD - V-: 33V; (4)VD - VS: ±22V; (5)VL - V- : 36V; (6)VL - VIN, VL - GND, VIN - GND: 8V; (7)GND - V-: 27V; (8)GND - VIN : 20V; (9)Current (S or D) (Note 3): 200mA; (10)Storage Temperature: -65 to +150℃; (11)Lead Temperature (Soldering, 10s): +300℃.
Features
DG190BP features: (1)Constant ON-Resistance for Signals to ±10V (DG182, DG185, DG188, DG191), to ±7.5V (All Devices); (2)±15V Power Supplies; (3)<2nA Leakage from Signal Channel in Both ON and OFF States; (4)TTL, DTL, RTL Direct Drive Compatibility; (5)tON, tOFF <150ns, Break-Before-Make Action; (6)Cross-Talk and Open Switch Isolation >50dB at 10MHz (75W Load).
Diagrams

(Hong Kong)






