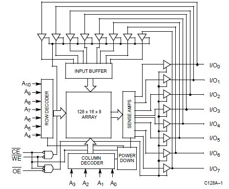
Product Summary
The CY7C128A-25DMB is a high-performance CMOS static RAM organized as 2048 words by 8 bits. Easy memory expansion is provided by an active LOW Chip Enable (CE), and active LOW Output Enable (OE) and tri-state drivers. The CY7C128A-25DMB has an automatic power-down feature, reducing the power consumption by 83% when deselected. The CY7C128A-25DMB utilizes a die coat to insure alpha immunity.
Parametrics
CY7C128A-25DMB absolute maximum ratings: (1)Storage Temperature: -65℃ to +150℃; (2)Ambient Temperature with Power Applied: -55℃ to +125℃; (3)Supply Voltage to Ground Potential (Pin 28 to Pin 14): -0.5V to +7.0V; (4)DC Voltage Applied to Outputs in High Z State: -0.5V to +7.0V; (5)DC Input Voltage: -3.0V to +7.0V.
Features
CY7C128A-25DMB features: (1)Automatic power-down when deselected; (2)CMOS for optimum speed/power; (3)High speed-15 ns; (4)TTL-compatible inputs and outputs; (5)Capable of withstanding greater than 2001V electrostatic discharge.
Diagrams

(Hong Kong)






