Product Summary
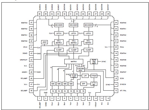
The BH7240AKV-E2 is an Color TV signal encoder. In addition to composite output, luminance output, chrominance output, and analog RGB output are available. Each type of output is equipped with an internal 75W driver. The BH7240AKV-E2 application: TV peripheral devices.
Parametrics
BH7240AKV-E2 absolute maximum ratings: (1)Power supply voltage DVDD, AVCC1 AVCC2: 7*1 V; (2)Power dissipation Pd: 900*2 mW; (3)Operating temperature Topr: -20 ~ + 70 ℃; (4)Storage temperature Tstg: -55 ~ + 125 ℃.
Features
BH7240AKV-E2 features: (1)Supports both NTSC and PAL.; (2)Internal RGB3-channel DAC (internal regulator).; (3)Internal burst timing generator circuit.; (4)Y / C separation output pin.; (5)Analog RGB signal output pin.; (6)Internal 75W driver.
Diagrams

| Image | Part No | Mfg | Description | ![]() |
Pricing (USD) |
Quantity | ||||||
|---|---|---|---|---|---|---|---|---|---|---|---|---|
![]() |
![]() BH7240AKV-E2 |
![]() ROHM Semiconductor |
![]() Video ICs VIDEO ENCODER 48PIN |
![]() Data Sheet |
![]()
|
|
||||||
| Image | Part No | Mfg | Description | ![]() |
Pricing (USD) |
Quantity | ||||||
![]() |
![]() BH7236AF-E2 |
![]() ROHM Semiconductor |
![]() Video ICs ENCODER RGB FOR NTSC |
![]() Data Sheet |
![]()
|
|
||||||
![]() |
![]() BH7240AKV |
![]() Other |
![]() |
![]() Data Sheet |
![]() Negotiable |
|
||||||
![]() |
![]() BH7240AKV-E2 |
![]() ROHM Semiconductor |
![]() Video ICs VIDEO ENCODER 48PIN |
![]() Data Sheet |
![]()
|
|
||||||
![]() |
![]() BH7272KV |
![]() Other |
![]() |
![]() Data Sheet |
![]() Negotiable |
|
||||||
![]() |
![]() BH7273KV |
![]() Other |
![]() |
![]() Data Sheet |
![]() Negotiable |
|
||||||
![]() |
![]() BH7236AF |
![]() Other |
![]() |
![]() Data Sheet |
![]() Negotiable |
|
||||||
(Hong Kong)











