Product Summary
The ATMEGA8A-PU is a low-power CMOS 8-bit microcontroller based on the AVR RISC architecture. By executing powerful instructions in a single clock cycle, the ATMEGA8A-PU achieves throughputs approaching 1 MIPS per MHz, allowing the system designer to optimize power consumption versus processing speed.
Parametrics
ATMEGA8A-PU absolute maximum ratings: (1)Operating Temperature: -55 to +125℃; (2)Storage Temperature: -65 to +150℃; (3)Voltage on any Pin except RESET with respect to Ground: -0.5V to VCC+0.5V; (4)Voltage on RESET with respect to Ground: -0.5V to +13.0V; (5)Maximum Operating Voltage: 6.0V; (6)DC Current per I/O Pin: 40.0 mA; (7)DC Current VCC and GND Pins: 300.0 mA.
Features
ATMEGA8A-PU features: (1)High-performance, Low-power Atmel AVR 8-bit Microcontroller; (2)130 Powerful Instructions – Most Single-clock Cycle Execution; (3)32 x 8 General Purpose Working Registers; (4)Ful×y Static Operation; (5)Up to 16 MIPS Throughput at 16MHz; (6)On-chip 2-cycle Multiplier; (7)High Endurance Non-volatile Memory segments; (8)In-System Programming by On-chip Boot Program; (9)True Read-While-Write Operation; (10)Two 8-bit Timer/Counters with Separate Prescaler, one Compare Mode; (11)One 16-bit Timer/Counter with Separate Prescaler, Compare Mode, and Capture Mode; (12)Real Time Counter with Separate Oscillator; (13)Three PWM Channels; (14)8-channel ADC in TQFP and QFN/MLF package; (15)Eight Channels 10-bit Accuracy: 6-channel ADC in PDIP package.
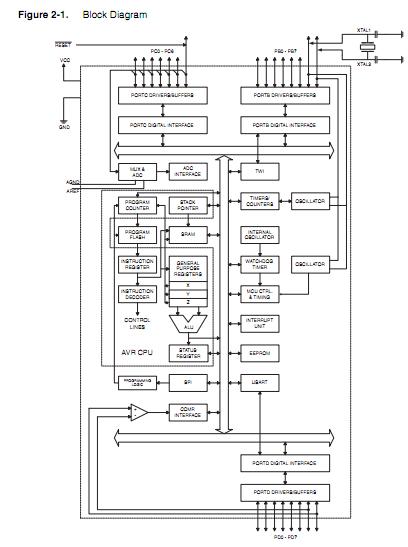
Diagrams

| Image | Part No | Mfg | Description | ![]() |
Pricing (USD) |
Quantity | ||||||||||||
|---|---|---|---|---|---|---|---|---|---|---|---|---|---|---|---|---|---|---|
![]() |
![]() ATMEGA8A-PU |
![]() Atmel |
![]() 8-bit Microcontrollers (MCU) AVR 8KB, 512B EE 16MHz 1KB SRAM |
![]() Data Sheet |
![]()
|
|
||||||||||||
| Image | Part No | Mfg | Description | ![]() |
Pricing (USD) |
Quantity | ||||||||||||
![]() |
![]() ATMEG163POD |
![]() |
![]() IC AVR MCU ICE30 40PIN MEGAAVR |
![]() Data Sheet |
![]() Negotiable |
|
||||||||||||
![]() |
![]() ATmega103 |
![]() Other |
![]() |
![]() Data Sheet |
![]() Negotiable |
|
||||||||||||
![]() |
![]() ATMEGA103-6AC |
![]() Atmel |
![]() 8-bit Microcontrollers (MCU) TQFP-64 128K FLASH 5 |
![]() Data Sheet |
![]() Negotiable |
|
||||||||||||
![]() |
![]() ATMEGA103-6AI |
![]() |
![]() IC MCU 128K 6MHZ A/D IT 64TQFP |
![]() Data Sheet |
![]() Negotiable |
|
||||||||||||
![]() |
![]() ATMEGA103-6AU |
![]() Other |
![]() |
![]() Data Sheet |
![]() Negotiable |
|
||||||||||||
![]() |
![]() ATmega103L |
![]() Other |
![]() |
![]() Data Sheet |
![]() Negotiable |
|
||||||||||||
(Hong Kong)












