Product Summary
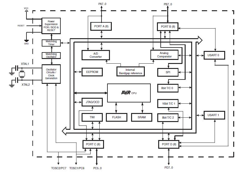
The ATMEGA644PA-AU is an 8-bit Microcontroller with 64K Bytes In-System Programmable Flash. It is based on the AVR enhanced RISC architecture. By executing powerful instructions in a single clock cycle, the ATMEGA644PA-AU achieves throughputs approaching 1 MIPS per MHz allowing the system designer to optimize power consumption versus processing speed.
Parametrics
ATMEGA644PA-AU absolute maximum ratings: (1)Operating Voltage: 1.8V to 5.5V; (2)Speed Grade: 0 MHz - 4 MHz; (3)Active Power Consumption at 1 MHz, 1.8V, 25℃: 0.4 mA.
Features
ATMEGA644PA-AU features: (1)High-performance, Low-power AVR 8-bit Microcontroller; (2)Advanced RISC Architecture; (3)High Endurance Non-volatile Memory segments; (4)JTAG (IEEE std. 1149.1 Compliant) Interface; (5)Real Time Counter with Separate Oscillator; (6)Internal Calibrated RC Oscillator.
Diagrams

| Image | Part No | Mfg | Description | ![]() |
Pricing (USD) |
Quantity | ||||||||||||
|---|---|---|---|---|---|---|---|---|---|---|---|---|---|---|---|---|---|---|
![]() |
![]() ATmega644PA-AU |
![]() Atmel |
![]() 8-bit Microcontrollers (MCU) 64K Flash 2K EEPROM 4K SRAM 32 IO Pins |
![]() Data Sheet |
![]()
|
|
||||||||||||
![]() |
![]() ATMEGA644PA-AUR |
![]() Atmel |
![]() 8-bit Microcontrollers (MCU) AVR 64KB FLSH 2KB EE 4KB RAM-20MHz IND |
![]() Data Sheet |
![]()
|
|
||||||||||||
(Hong Kong)










