Product Summary
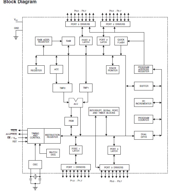
The AT89C55WD-24PU is a low-power, high-performance CMOS 8-bit microcontroller with 20K bytes of Flash programmable read only memory and 256 bytes of RAM. The device is manufactured using Atmel’s high-density nonvolatile memory technology and is compatible with the industry standard 80C51 and 80C52 instruction set and pinout. The AT89C55WD-24PU provides the following standard features: 20K bytes of Flash, 256 bytes of RAM, 32 I/O lines, three 16-bit timer/counters, a six-vector, two-level interrupt architecture, a full-duplex serial port, on-chip oscillator, and clock circuitry. In addition, the AT89C55WD-24PU is designed with static logic for operation down to zero frequency and supports two software selectable power saving modes.
Parametrics
AT89C55WD-24PU absolute maximum ratings:(1)Operating Temperature:-55°C to +125°C; (2)Storage Temperature:-65°C to +150°C; (3)Voltage on Any Pin with Respect to Ground:-1.0V to +7.0V; (4)Maximum Operating Voltage:6.6V; (5)DC Output Current:15.0 mA; (6)Dual Data Pointer; (7)Power-off Flag; (8)Green (Pb/Halide-free) Packaging Option.
Features
AT89C55WD-24PU features:(1)Compatible with MCS51 Products; (2)20K Bytes of Reprogrammable Flash Memory; (3)Endurance: 1000 Write/Erase Cycles; (4)4V to 5.5V Operating Range; (5)Fully Static Operation: 0 Hz to 33 MHz; (6)Three-level Program Memory Lock; (7)256 x 8-bit Internal RAM; (8)32 Programmable I/O Lines; (9)Three 16-bit Timer/Counters; (10)Eight Interrupt Sources; (11)Programmable Serial Channel; (12)Low-power Idle and Power-down Modes; (13)Interrupt Recovery from Power-down Mode; (14)Hardware Watchdog Timer; (15)Dual Data Pointer; (16)Power-off Flag; (17)Green (Pb/Halide-free) Packaging Option.
Diagrams

| Image | Part No | Mfg | Description | ![]() |
Pricing (USD) |
Quantity | ||||||||||||
|---|---|---|---|---|---|---|---|---|---|---|---|---|---|---|---|---|---|---|
![]() |
![]() AT89C55WD-24PU |
![]() Atmel |
![]() 8-bit Microcontrollers (MCU) 20K FLASH - 24MHZ IND TEMP 5V |
![]() Data Sheet |
![]()
|
|
||||||||||||
| Image | Part No | Mfg | Description | ![]() |
Pricing (USD) |
Quantity | ||||||||||||
![]() |
![]() AT8934 |
![]() TE Connectivity |
![]() General Purpose / Industrial Relays SEALED R RELAY |
![]() Data Sheet |
![]()
|
|
||||||||||||
![]() |
![]() AT8985P |
![]() Other |
![]() |
![]() Data Sheet |
![]() Negotiable |
|
||||||||||||
![]() |
![]() AT8989UP |
![]() Other |
![]() |
![]() Data Sheet |
![]() Negotiable |
|
||||||||||||
![]() |
![]() AT8992-A2-T-1 |
![]() |
![]() IC SWITCH PHY 64-TQFP |
![]() Data Sheet |
![]() Negotiable |
|
||||||||||||
![]() |
![]() AT8992M-A2-T-1 |
![]() |
![]() IC SWITCH PHY 100-MQFP |
![]() Data Sheet |
![]() Negotiable |
|
||||||||||||
![]() |
![]() AT8993-A2-T-1 |
![]() |
![]() IC SWITCH PHY 100-MQFP |
![]() Data Sheet |
![]() Negotiable |
|
||||||||||||
(Hong Kong)










