Product Summary
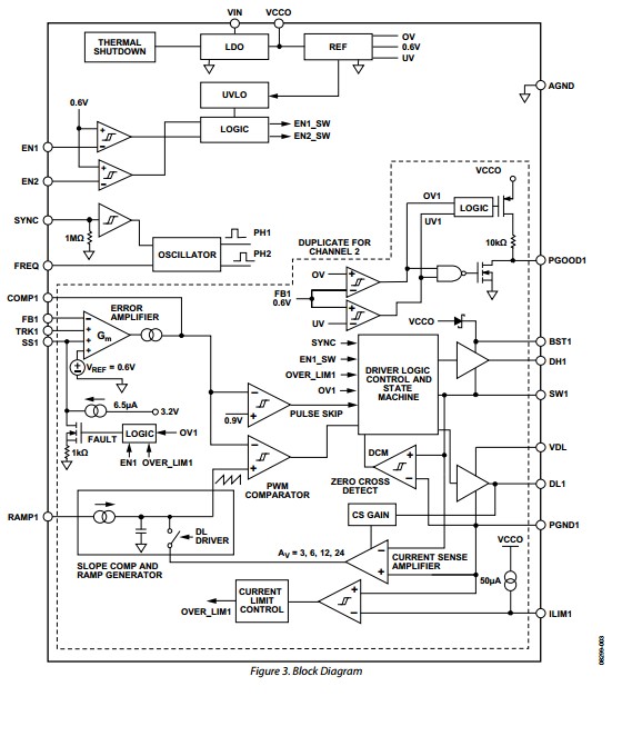
The ADP1877ACPZ is a Flexmode (proprietary architecture of Analog Devices, Inc.), dual-channel, step-down switching controller with integrated drivers that drive N-channel synchronous power MOSFETs. The two PWM outputs are phase shifted 180°, which reduces the input RMS current, thus minimizing required input capacitance. The applications of the ADP1877ACPZ are Set top boxes
Printers, Communication infrastructure, Distributor power dc systems, Industrial and instrumentation.
Parametrics
ADP1877ACPZ absolute maximum ratings: (1)BST1/BST2 to PGND1/PGND2, SW1/SW2 to PGND1/PGND2 20 ns Transients: +25 V; (2)DL1/DL2, SW1/SW2, ILIM1/ILIM2 to PGND1/PGND2 20 ns Negative Transients: −8 V; (3)PGND1/PGND2 to AGND: −0.3 V to +0.3 V; (4)PGND1/PGND2 to AGND 20 ns Transients: −8 V to +4 V; (5)Operating Ambient Temperature Range: −40°C to +85°C; (6)Operating Junction Temperature Range: −40°C to +125°C; (7)Storage Temperature Range: −65°C to +150°C; (8)Maximum Soldering Lead Temperature: 260°C.
Features
ADP1877ACPZ features: (1)±0.85% output voltage accuracy 0°C to 70°C; (2)Integrated boost diodes; (3)Pulse skip high efficiency mode under light load; (4)Power good with internal pull-up resistor; (5)Overvoltage and overcurrent limit protection; (6)Thermal overload protection; (7)Input undervoltage lockout (UVLO); (8)Externally adjustable soft start, slope compensation and current sense gain.
Diagrams

| Image | Part No | Mfg | Description | ![]() |
Pricing (USD) |
Quantity | ||||||||||
|---|---|---|---|---|---|---|---|---|---|---|---|---|---|---|---|---|
![]() |
![]() ADP1877ACPZ-R7 |
![]() |
![]() IC REG CTRLR BUCK PWM CM 32LFCSP |
![]() Data Sheet |
![]() Negotiable |
|
||||||||||
| Image | Part No | Mfg | Description | ![]() |
Pricing (USD) |
Quantity | ||||||||||
![]() |
![]() ADP1 |
![]() Other |
![]() |
![]() Data Sheet |
![]() Negotiable |
|
||||||||||
![]() |
![]() ADP10 |
![]() |
![]() SWITCH DIP PIANO 10POS |
![]() Data Sheet |
![]() Negotiable |
|
||||||||||
![]() |
![]() ADP1004 |
![]() TE Connectivity / Alcoswitch |
![]() DIP Switches / SIP Switches SWITCH DIP SPST PIANO 10POS |
![]() Data Sheet |
![]()
|
|
||||||||||
![]() |
![]() ADP1043 |
![]() Other |
![]() |
![]() Data Sheet |
![]() Negotiable |
|
||||||||||
![]() |
![]() ADP1043A |
![]() Other |
![]() |
![]() Data Sheet |
![]() Negotiable |
|
||||||||||
![]() |
![]() ADP1043AACPZ-R7 |
![]() |
![]() IC THERMO COOLER CTLR 32LFCSP |
![]() Data Sheet |
![]()
|
|
||||||||||
(Hong Kong)










