Product Summary
The MBRD835LT4G is a switchmode power rectifier. The MBRD835LT4G which uses the schottky barrier principle with a proprietary barrier metal, is designed for use as output rectifiers, free wheeling, protection and steering diodes in switching power supplies, inverters and other inductive switching circuits.
Parametrics
MBRD835LT4G absolute maximum ratings: (1)Peak repetitive reverse voltage working peak reverse voltage dc blocking voltage: 35 V; (2)Average rectified forward current (At Rated VR, TC = 88°C)IF(AV): 8.0 A; (3)Peak repetitive forward current (at rated VR, square wave, 20 kHz, TC = 80°C)IFRM: 16 A; (4)non-repetitive peak surge current (surge applied at rated load conditions, halfwave, single phase, 60 Hz)IFSM: 75 A; (5)Repetitive avalanche current (current decaying linearly to zero in 1 μs, frequency limited by tjmax)IAR: 2.0 A; (6)Storage / operating case temperature Tstg: -65 to +150 °C; (7)Operating junction temperature TJ: -65 to +125 °C; (8)Voltage rate of change (rated VR)dv/dt: 10,000 V/μs.
Features
MBRD835LT4G features: (1)Low forward voltage; (2)125°C operating junction temperature; (3)Epoxy meets UL 94 V-0 @ 0.125 in; (4)Compact size; (5)Lead formed for surface mount; (6)Pb-free packages are available.
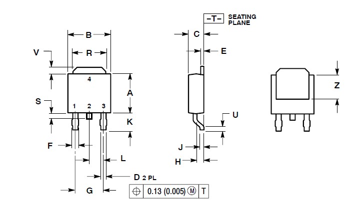
Diagrams

| Image | Part No | Mfg | Description | ![]() |
Pricing (USD) |
Quantity | ||||||||||||
|---|---|---|---|---|---|---|---|---|---|---|---|---|---|---|---|---|---|---|
![]() |
![]() MBRD835LT4G |
![]() ON Semiconductor |
![]() Schottky (Diodes & Rectifiers) 8A 35V Low Vf |
![]() Data Sheet |
![]()
|
|
||||||||||||
| Image | Part No | Mfg | Description | ![]() |
Pricing (USD) |
Quantity | ||||||||||||
![]() |
![]() MBRD1035CTL |
![]() ON Semiconductor |
![]() Schottky (Diodes & Rectifiers) 10A 35V Low Vf |
![]() Data Sheet |
![]() Negotiable |
|
||||||||||||
![]() |
![]() MBRD1035CTLG |
![]() ON Semiconductor |
![]() Schottky (Diodes & Rectifiers) 10A 35V Low Vf |
![]() Data Sheet |
![]()
|
|
||||||||||||
![]() |
![]() MBRD1035CTLT4 |
![]() ON Semiconductor |
![]() Schottky (Diodes & Rectifiers) 10A 35V Low Vf |
![]() Data Sheet |
![]() Negotiable |
|
||||||||||||
![]() |
![]() MBRD1035CTLT4G |
![]() ON Semiconductor |
![]() Schottky (Diodes & Rectifiers) 10A 35V Low Vf |
![]() Data Sheet |
![]()
|
|
||||||||||||
![]() |
![]() MBRD1040CT |
![]() Other |
![]() |
![]() Data Sheet |
![]() Negotiable |
|
||||||||||||
![]() |
![]() MBRD1040CT-T |
![]() |
![]() DIODE SCHOTTKY DUAL 40V 5A DPAK |
![]() Data Sheet |
![]() Negotiable |
|
||||||||||||
(Hong Kong)











